Yay! You won that round!

Oferty producentów i promocje z rynku HVAC

PlayPause
previous arrow
next arrow
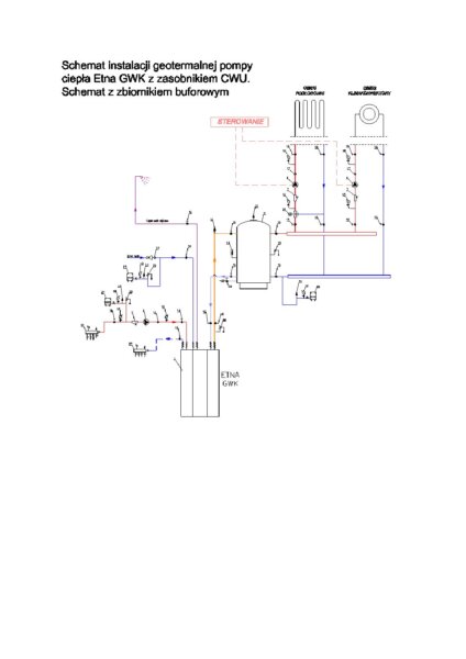
Schematy technologiczne 2013-11-17 | Pompy ciepła,klimatyzacja,wentylacja informacje, forum, blogi, komentarze, opinie, jaką pompę ciepła kupić? Cennik pomp ciepła i montażu w pakietach.
Menu Zamknij